6K B6K BM6 سیریز ڈسک والو ہائیڈرولک موٹرز
B6K 6K BM6 سیریز کا تعارف
B6K سیریز کی موٹر ڈسک ڈسٹری بیوشن فلو اور ہائی پریشر کے ساتھ جدید جیرولر سیٹ ڈیزائن کو اپناتی ہے۔ یونٹ کو ایپلی کیشنز کی ضرورت کے مطابق آپریٹنگ ملٹی فنکشن میں انفرادی ویرینٹ فراہم کیا جا سکتا ہے۔
خصوصیت کی خصوصیات:
1. جیرولر سیٹ کے لیے جدید مینوفیکچرنگ ڈیوائسز جو اسٹارٹ اپ کے کم پریشر کا استعمال کرتی ہیں، ہموار اور قابل اعتماد آپریشن اور اعلی کارکردگی فراہم کرتی ہیں۔
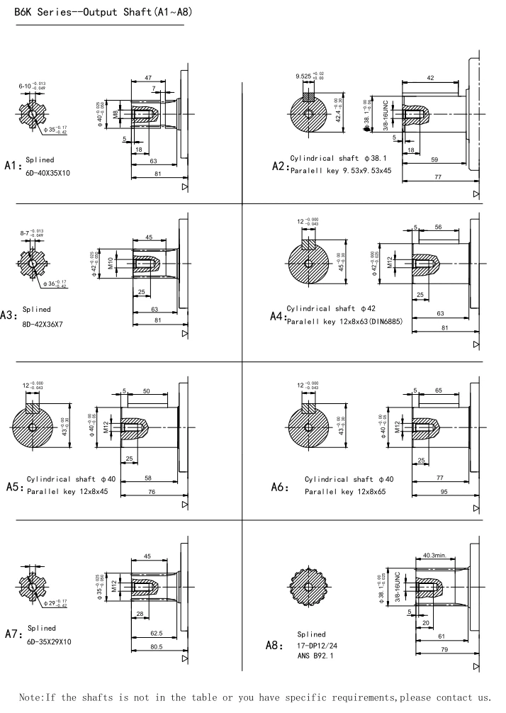
2. آؤٹ پٹ شافٹ ٹاپرڈ رولر بیرنگ میں ڈھل جاتا ہے جو اعلی محوری اور شعاعی قوتوں کی اجازت دیتا ہے۔ وسیع ایپلی کیشنز میں ہائی پریشر اور ہائی ٹارک کی صلاحیتیں پیش کر سکتے ہیں۔
3. ڈسک کی تقسیم کے بہاؤ میں اعلی درجے کا ڈیزائن، جو خود کار طریقے سے اعلی حجم کی کارکردگی اور طویل زندگی کے ساتھ آپریٹنگ میں معاوضہ دے سکتا ہے. ہموار اور قابل اعتماد آپریشن فراہم کرتا ہے.
B6K سیریز میں شامل ہے: (B6K سٹینڈرڈ) B6KW (whee| موٹر) /B6KS (بیئر لیس)/B6KB (بریکر کے ساتھ ہائیڈرول آئی سی موٹر)






ڈاؤن لوڈ، اتارنا ٹیگ: 6K BM6 B6K سیریل ہائی ٹارک کم رفتار ہائیڈرولک موٹر، چین 6K BM6 B6K سیریل ہائی ٹارک کم رفتار ہائیڈرولک موٹر مینوفیکچررز، سپلائرز، فیکٹری





