مصنوعات کی وضاحت
B4k Orbit Hydraulic Motor ایک cycloidal ہائیڈرولک موٹر ہے، جبکہ B4k میں "b" چینی میں cycloid کے لیے کھڑا ہے۔ یہ ڈسک کی تقسیم کے ساتھ جدید جیرولر سیٹ ڈیزائن کو اپناتا ہے۔ انتخاب کے لیے نقل مکانی کی حد 110cc/r سے 625cc/r تک ہے۔ یہ مختلف آلات کی رفتار اور ٹارک کی ضروریات کو پورا کرسکتا ہے۔
B4k کے فوائد درج ذیل ہیں:
B4k Orbit Hydraulic Motors نے اپنی نمایاں خصوصیات اور فوائد کی وجہ سے صنعتی ایپلی کیشنز میں مقبولیت حاصل کی ہے۔ یہاں B4k Orbit ہائیڈرولک موٹرز استعمال کرنے کے کچھ فوائد ہیں:
1. اعلی کارکردگی: یہ موٹریں انتہائی موثر ہیں، اس طرح توانائی کے زیادہ سے زیادہ استعمال کی اجازت دیتی ہیں۔ وہ کارکردگی کو زیادہ سے زیادہ کرنے اور توانائی کے ضیاع کو کم کرنے کے لیے ڈیزائن کیے گئے ہیں، اس لیے آپریٹنگ اخراجات کو کم کرتے ہیں۔
2. ہائی ٹارک: B4k اوربٹ ہائیڈرولک موٹرز ہائی ٹارک آؤٹ پٹ فراہم کرتی ہیں، جس سے ہیوی ڈیوٹی ایپلی کیشنز میں رفتار اور سرعت کو بہتر بنایا جا سکتا ہے۔ یہ خصوصیت انہیں ان کاموں میں استعمال کرنے کے لیے موزوں بناتی ہے جن میں زیادہ پاور آؤٹ پٹ کی ضرورت ہوتی ہے۔
3. اعلی پائیداری: یہ موٹریں اعلی معیار کے اجزاء کے ساتھ تیار کی جاتی ہیں جو اعلی استحکام کو یقینی بناتے ہیں، اس طرح ڈاؤن ٹائم اور دیکھ بھال کے اخراجات کو کم کرتے ہیں۔ وہ زیادہ گرمی اور سخت ماحولیاتی حالات کی وجہ سے ہونے والے نقصان کے خلاف بھی مزاحم ہیں۔
4. ایپلی کیشنز کی وسیع رینج: B4k Orbit ہائیڈرولک موٹرز کو مختلف صنعتی ایپلی کیشنز میں استعمال کیا جا سکتا ہے، بشمول زراعت، تعمیرات، کیمیائی پروسیسنگ، اور سمندری صنعتوں میں۔ وہ ان ایپلی کیشنز میں درپیش مختلف پیچیدہ چیلنجوں کا بہترین حل پیش کرتے ہیں۔
5. آسان تنصیب: B4k Orbit ہائیڈرولک موٹرز کو ایک کمپیکٹ فریم کے ساتھ ڈیزائن کیا گیا ہے جو تنصیب کو آسان اور سیدھا بناتا ہے۔ ان کی سادہ تعمیر کی وجہ سے انہیں برقرار رکھنا بھی آسان ہے، اس طرح پیداواری صلاحیت میں اضافہ ہوتا ہے۔
آخر میں، B4k Orbit Hydraulic Motors دیگر ہائیڈرولک موٹرز کے مقابلے میں بے شمار فوائد پیش کرتے ہیں۔ ان کی اعلی کارکردگی، اعلی ٹارک، استحکام، ایپلی کیشنز کی وسیع رینج، اور آسان تنصیب انہیں صنعتی استعمال کے لیے ایک مثالی انتخاب بناتی ہے۔ ان موٹروں کو اپنے آپریشنز میں شامل کرنے سے پیداواری صلاحیت اور لاگت کی بچت میں نمایاں بہتری آئے گی۔
تفصیلات کا ڈیٹا
|
Displ سینٹی میٹر3/r |
110 |
130 |
160 |
205 |
245 |
310 |
400 |
500 |
625 |
|
|
بہاؤ (ایل پی ایم) |
مسلسل |
75 |
95 |
95 |
95 |
95 |
95 |
95 |
95 |
95 |
|
وقفے وقفے سے |
95 |
115 |
115 |
130 |
130 |
130 |
150 |
150 |
150 |
|
|
رفتار (آر پی ایم) |
مسلسل |
697 |
722 |
582 |
459 |
383 |
303 |
239 |
191 |
151 |
|
وقفے وقفے سے |
868 |
862 |
690 |
546 |
532 |
422 |
376 |
305 |
241 |
|
|
دباؤ (بار) |
مسلسل |
205 |
205 |
205 |
205 |
205 |
205 |
190 |
140 |
115 |
|
وقفے وقفے سے |
310 |
310 |
310 |
250 |
260 |
260 |
240 |
170 |
140 |
|
|
ٹارک (N.m) |
مسلسل |
320 |
375 |
485 |
600 |
705 |
850 |
930 |
945 |
970 |
|
وقفے وقفے سے |
470 |
560 |
705 |
800 |
845 |
1065 |
1185 |
1170 |
1180 |
|
کارکردگی کی تفصیلات




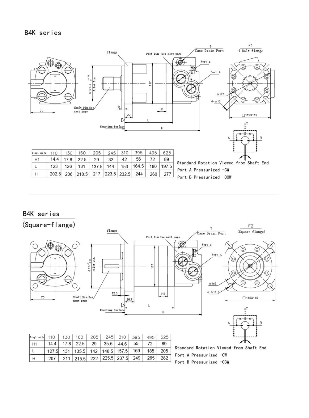
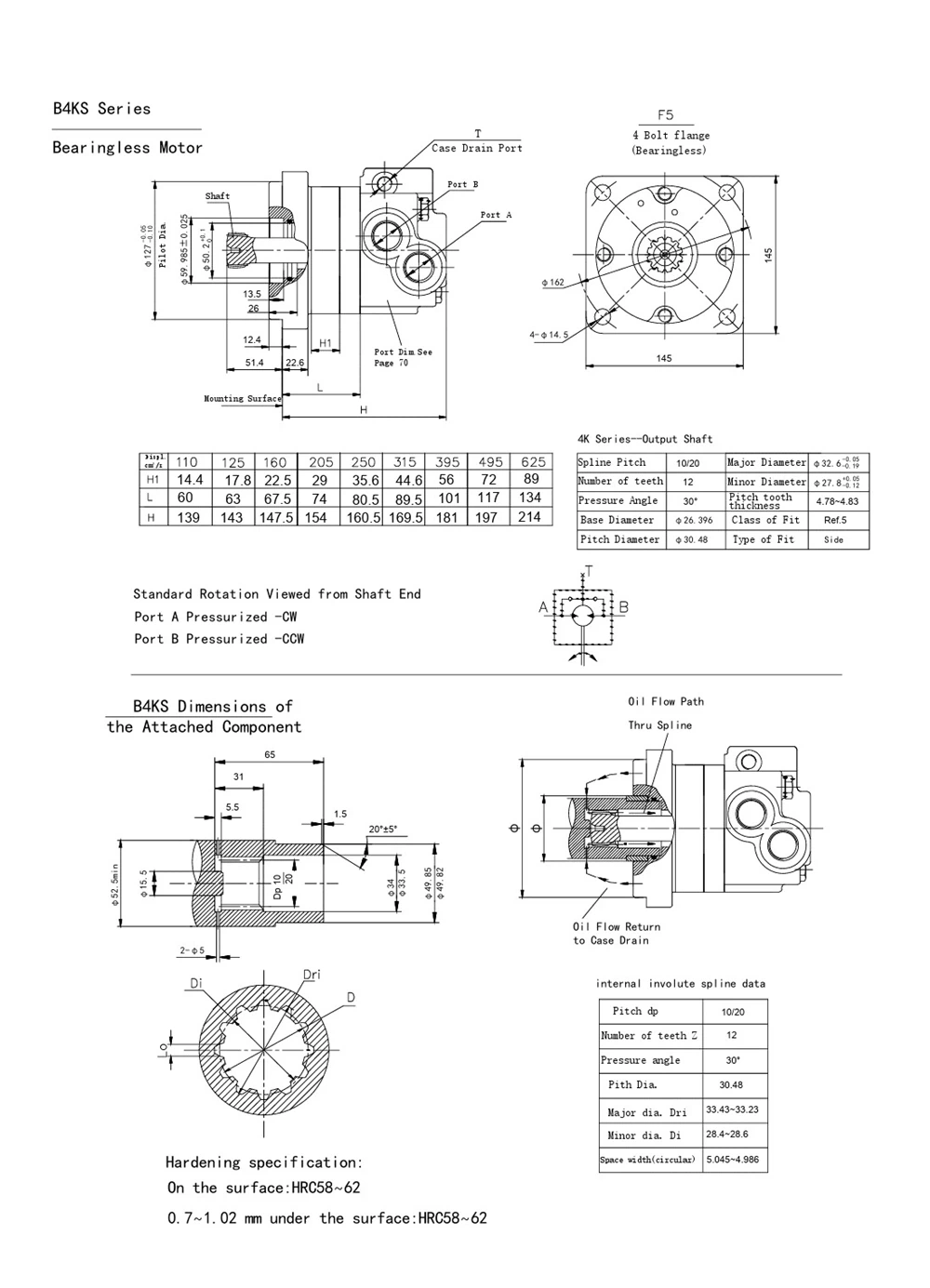
طول و عرض



شافٹ کے طول و عرض

تیل کی بندرگاہ کے طول و عرض

آرڈر کی معلومات
|
1 |
|
2 |
|
3 |
|
4 |
|
5 |
|
6 |
|
7 |
|
1 |
2 |
3 |
4 |
5 |
6 |
7 |
|||||
|
کوڈ |
ڈسپل. (CC٪2fr) |
Flange پائلٹ دیا |
آؤٹ پٹ شافٹ |
پورٹ (A/B) اور ڈرین پورٹ (T) |
گردش سمت |
پینٹ |
|||||
|
B4K B4KW B4KS |
110 |
F1 |
4-φ15 مربع فلینج پائلٹ φ101.5x9 |
A1 |
بیلناکار شافٹ φ31.75 متوازی کلید 7.96x7.96x40 |
P1 |
(A٪ 2fB) ٪ 7b٪ 7b0٪7d٪ 7d٪ 2f٪ 7b٪ 7b1٪ 7d٪ 7d٪ 7dUNC٪ 2cO-رنگ (T)7/{{1}UNF,O-RING |
R |
معیاری |
N |
کوئی پینٹ نہیں۔ |
|
130 |
F2 |
4-φ14.5 مربع فلینج پائلٹ φ127x12.3 |
A2 |
سپلائنڈ 14-DP12/24 |
P2 |
جی 3٪ 2f4 (بی ایس پی) (T)G1/4(BSP) |
Q |
نیلا |
|||
|
160 |
F3 |
4-φ13.5 بولٹ میگنیٹو پائلٹ φ82.55x2.8 |
A3 |
بیلناکار شافٹ φ40 متوازی کلید 12x8x70 |
P3 |
7٪ 2f٪7b٪7b1٪ 7d٪7dUNF٪2cO-ring (T)7/{{1}UNF |
|||||
|
205 |
F4 |
4-φ14.5 (وہیل موٹر) فلینج پائلٹ φ139.6 |
A4 |
کٹا ہوا {{0}DP12/24 |
P4 |
M22x1.5 (T)M14x1.5 |
|||||
|
245 |
F5 |
4-φ14.5 بولٹ فلینج (بیرنگلیس) پائلٹ φ127x12.4 |
A5 |
مخروطی شافٹ φ41.25 متوازی 11.13x11.13x31.7 |
P5 |
8xM10Manifold Mount(T)7٪2f٪7b٪7b3٪7d٪7dUNF |
L |
برعکس |
B |
سیاہ |
|
|
310 |
A6 |
بیرنگ لیس موٹر {{0}DP10/20 |
P6 |
8x 3/{{2}UNC (T)7/{{1}UNF |
|||||||
|
400 |
S |
سلور گرے |
|||||||||
|
500 |
|||||||||||
|
625 |
|||||||||||
نوٹ: جب ٹیبل استعمال کیا جائے تو براہ کرم ڈیش ایریا میں بائیں قطاروں کا کوڈ پُر کریں اور ہمیں دیں، جو کوڈ کی معلومات تعمیر، نقل مکانی، بڑھتے ہوئے فلینج پر مشتمل ہے۔ آؤٹ پٹ شافٹ اور بندرگاہیں. اگر تصریح ٹیبل میں نہیں ہے یا آپ کے پاس مخصوص تقاضے ہیں، تو براہ کرم ہم سے رابطہ کریں (whatsapp+8615106778662)۔

عمومی سوالات
سوال: آرڈر دینے کے بعد ترسیل کی تاریخ کیا ہے؟
سوال: اگر مصنوعات ضروریات کو پورا نہیں کرتی ہیں، تو مسئلہ کو کیسے حل کیا جائے؟
س: ٹارک کا حساب کیسے لگائیں؟
ٹارک (Nm) {{0}} نقل مکانی (cc/rev) x ورکنگ پریشر (MPa) x 0.16 (فیکٹر)
فنکشنل تھیوریم کے مطابق: Vm (ایم ایل فی ریڈین) × w (ریڈین فی سیکنڈ) × p (MPa، ڈیفرینشل پریشر) × (کل ہائیڈرولک موٹر کی کارکردگی) {{0}} w (ریڈین فی سیکنڈ) × T (Nm)؛ تو T =Vm×P×η; جہاں Vm کا ملی لیٹر فی ریڈین ملی لیٹر فی انقلاب میں تبدیل ہوتا ہے اور اسے 2π سے تقسیم کرنے کی ضرورت ہوتی ہے، جسے 0.16 سے ضرب کیا جاتا ہے۔
نقل مکانی کو پروڈکٹ لیبل سے دیکھا جا سکتا ہے۔ ورکنگ پریشر مدار ہائیڈرولک موٹر کے داخلی دروازے پر پریشر گیج پر منحصر ہے۔ ان دو قدروں کو جانتے ہوئے، آپ اس وقت مدار ہائیڈرولک موٹر کے آؤٹ پٹ ٹارک کا حساب لگا سکتے ہیں۔
سوال: وہاں کس قسم کا موٹر سرکٹ ہے؟
ڈاؤن لوڈ، اتارنا ٹیگ: ڈسک والو کے ساتھ b4k سیریز مدار ہائیڈرولک موٹر، ڈسک والو مینوفیکچررز، سپلائرز، فیکٹری کے ساتھ چین b4k سیریز مدار ہائیڈرولک موٹر

