مصنوعات کی تفصیل
BMR Horizontal Orbit ہائیڈرولک موٹر ہماری فیکٹری میں OMR Horizontal Orbit ہائیڈرولک موٹر کی جگہ لے سکتی ہے۔
BMR Horizontal Orbit Hydraulic Motor ایک سائکلائیڈل ہائیڈرولک موٹر ہے۔ انتخاب کے لیے نقل مکانی کی حد 50cc/r سے 400cc/r تک ہے۔ یہ مختلف آلات کی رفتار اور ٹارک کی ضروریات کو پورا کرسکتا ہے۔
Horizontal oil port Orbit Hydraulic Motor ایک قابل ذکر ایجاد ہے جس نے ہائیڈرولک صنعت میں انقلاب برپا کر دیا ہے۔ یہ ناقابل یقین ڈیوائس بہت ساری متاثر کن خصوصیات کا حامل ہے جو اسے تمام ہائیڈرولک سسٹمز کے لیے لازمی بناتی ہے۔
Horizontal oil port Orbit Hydraulic Motor کی سب سے نمایاں خصوصیات میں سے ایک اس کی غیر معمولی طاقت ہے۔ اس ڈیوائس میں ناقابل یقین ٹارک اور تیز رفتار صلاحیتیں ہیں جو انتہائی دباؤ کے باوجود بھی بہترین کارکردگی کو یقینی بناتی ہیں۔ زیادہ سے زیادہ پاور آؤٹ پٹ فراہم کرنے کی اس کی صلاحیت اسے بھاری ڈیوٹی ایپلی کیشنز جیسے اٹھانے اور کھودنے کے لیے مثالی بناتی ہے۔
Horizontal oil port Orbit Hydraulic Motor کی ایک اور متاثر کن خصوصیت اس کی کارکردگی ہے۔ اس ڈیوائس کو کم سے کم ضیاع کے ساتھ کام کرنے کے لیے ڈیزائن کیا گیا ہے، جو ایندھن کی کھپت کو کم کرنے اور آپریٹنگ اخراجات کو کم کرنے کا ترجمہ کرتا ہے۔ اس کا کمپیکٹ ڈیزائن انسٹال، دیکھ بھال اور سروس کو بھی آسان بناتا ہے، جس سے ڈاؤن ٹائم مزید کم ہوتا ہے اور پیداواری صلاحیت میں اضافہ ہوتا ہے۔
مزید برآں، Horizontal oil port Orbit Hydraulic Motor کو قائم رہنے کے لیے بنایا گیا ہے۔ یہ اعلی معیار کے مواد کا استعمال کرتے ہوئے بنایا گیا ہے جو پہننے اور آنسو کے خلاف مزاحم ہیں، زیادہ سے زیادہ استحکام اور لمبی عمر کو یقینی بناتے ہیں۔ اس کا مضبوط ڈیزائن اور اعلیٰ انجینئرنگ بھی اسے رساو اور نقصان کی دیگر اقسام کے خلاف مزاحم بناتی ہے، بلاتعطل فعالیت اور کارکردگی کو یقینی بناتی ہے۔
آخر میں، Horizontal oil port Orbit Hydraulic Motor ہائیڈرولک انڈسٹری میں گیم چینجر ہے۔ اس کی غیر معمولی طاقت، کارکردگی، اور پائیداری اسے تمام ہائیڈرولک سسٹمز کے لیے ایک ناگزیر ٹول بناتی ہے۔ اپنے ٹول باکس میں اس ڈیوائس کے ساتھ، آپ بہترین کارکردگی، کم آپریٹنگ لاگت، اور بہتر پیداواری صلاحیت کا یقین کر سکتے ہیں۔ تو، کیوں انتظار کریں؟ آج ہی اپنا Horizontal آئل پورٹ Orbit Hydraulic Motor حاصل کریں اور فرق کا تجربہ کریں!
تفصیلات کا ڈیٹا
|
Displ سینٹی میٹر3/r |
50 |
63 |
80 |
100 |
125 |
160 |
200 |
250 |
320 |
370 |
400 |
|
|
بہاؤ (ایل پی ایم) |
مسلسل |
38 |
53 |
53 |
53 |
53 |
53 |
53 |
53 |
53 |
53 |
53 |
|
وقفے وقفے سے |
45 |
57 |
57 |
57 |
57 |
57 |
57 |
57 |
57 |
57 |
57 |
|
|
رفتار (آر پی ایم) |
مسلسل |
750 |
778 |
635 |
510 |
430 |
329 |
266 |
213 |
171 |
142 |
133 |
|
وقفے وقفے سے |
875 |
832 |
680 |
537 |
420 |
374 |
281 |
226 |
182 |
150 |
141 |
|
|
دباؤ (بار) |
مسلسل |
138 |
138 |
138 |
138 |
138 |
124 |
124 |
124 |
103 |
90 |
90 |
|
وقفے وقفے سے |
155 |
155 |
155 |
155 |
155 |
138 |
138 |
138 |
124 |
103 |
103 |
|
|
ٹارک (N.m) |
مسلسل |
92 |
121 |
150 |
196 |
230 |
271 |
328 |
401 |
417 |
402 |
429 |
|
وقفے وقفے سے |
105 |
137 |
174 |
213 |
256 |
297 |
358 |
410 |
441 |
460 |
458 |
|
کارکردگی کا ڈیٹا







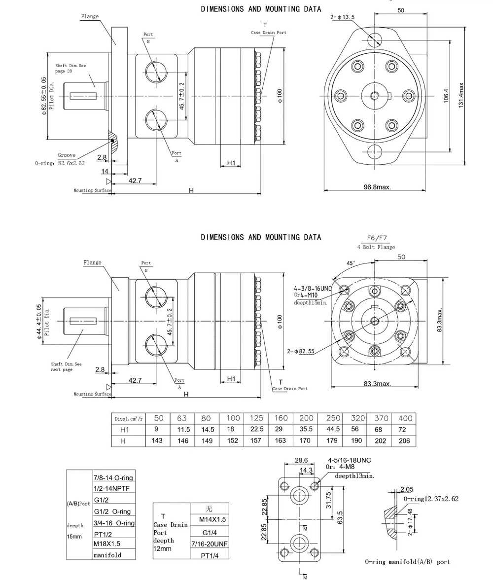
آئل پورٹ کے طول و عرض
افقی تیل کی بندرگاہ

|
Displ سینٹی میٹر3/r |
50 |
63 |
80 |
100 |
125 |
160 |
200 |
250 |
320 |
370 |
400 |
|
H1 |
9 |
11.5 |
14.5 |
18 |
22.5 |
29 |
35.5 |
44.5 |
56 |
68 |
72 |
|
H |
143 |
146 |
149 |
152 |
157 |
163 |
170 |
179 |
190 |
202 |
206 |
شافٹ کے طول و عرض

نوٹ: اگر شافٹ اس ٹیبل میں نہیں ہے جس کی آپ کی مخصوص ضروریات ہیں، تو براہ کرم ہم سے رابطہ کریں۔
شافٹ گردش کی سمت

قابل اجازت شافٹ سیل پریشر

آرڈر کی معلومات (جی بی معیاری: فلو چارٹ منتخب کریں)
|
1 |
|
2 |
|
3 |
|
4 |
|
5 |
|
6 |
|
7 |
|
1 |
2 |
3 |
4 |
5 |
6 |
7 |
|||||
|
کوڈ |
ڈسپل. (CC٪2fr) |
فلانج |
آؤٹ پٹ شافٹ |
پورٹ اور ڈرین پورٹ |
گردش سمت |
پینٹ |
|||||
|
بی ایم آر ایچ |
50 |
F1 |
2-φ13.5 Rhomb-flange، پائلٹ φ82.55x2.8 |
A12 |
شافٹ ∅ 25.4 ووڈرف کلید ∅25.4x6.35 |
P1 |
7/{{1}UNF O-ring 7/{{1}UNF |
R |
معیاری |
N |
کوئی پینٹ نہیں۔ |
|
63 |
|||||||||||
|
80 |
A13 |
منقطع SAE 6B |
P2 |
1/{{1}NPTF 7/{{1}UNF |
|||||||
|
100 |
|||||||||||
|
125 |
F2 |
4-M10 مربع فلینج، پائلٹ ڈیا φ44.4x2.8 |
Q |
نیلا |
|||||||
|
160 |
|||||||||||
|
200 |
A14 |
بیلناکار شافٹ φ25.4 پن ہول φ8 |
P3 |
G1/2 G1/4 |
|||||||
|
250 |
A15 |
بیلناکار شافٹ φ25.4 پن ہول φ10.3 |
P4 |
G1٪2f2 O-ring G1/4 |
|||||||
|
315 |
L |
مخالف |
B |
سیاہ |
|||||||
|
370 |
F3 |
4-3/8-16 UNC مربع فلینج، پائلٹ φ44.4x2.8 |
A16 |
بیلناکار شافٹ φ22.22 متوازی کلید 6.35x6.35x25.4 |
P5 |
3/4-16 او-رنگ 7/{{1}UNF |
|||||
|
400 |
A17 |
سپلائنڈ 13-DP16/32 |
P6 |
پی ٹی 1/2 پی ٹی 1/4 |
S |
سلور گرے |
|||||
|
A18 |
سلنڈر شافٹ φ25.4 متوازی 8x7x28 |
P7 |
M18X1.5 M 14X1.5 |
||||||||
|
P8 |
ф 10 O-ring کئی گنا 4-M8 G1/4 |
||||||||||
|
P9 |
٪d1٪ 84 10 O-رنگ کئی گنا٪7b٪7b2٪7d٪7d٪2f٪7b٪7b3٪7d٪7dUNC 7/{{1}UNF |
||||||||||
نوٹ: جب ٹیبل استعمال کیا جائے تو براہ کرم ڈیش ایریا میں بائیں قطاروں کا کوڈ پُر کریں اور ہمیں دیں، جو کوڈ کی معلومات تعمیر، نقل مکانی، بڑھتے ہوئے فلینج پر مشتمل ہے۔ آؤٹ پٹ شافٹ اور بندرگاہیں. اگر تصریح ٹیبل میں نہیں ہے یا آپ کے پاس مخصوص تقاضے ہیں، تو براہ کرم ہم سے رابطہ کریں (whatsapp+8615106778662)۔

اکثر پوچھے گئے سوالات
سوال: آرڈر دینے کے بعد ترسیل کی تاریخ کیا ہے؟
سوال: اگر مصنوعات ضروریات کو پورا نہیں کرتی ہیں، تو مسئلہ کو کیسے حل کیا جائے؟
س: ٹارک کا حساب کیسے لگائیں؟
ٹارک (Nm) {{0}} نقل مکانی (cc/rev) x ورکنگ پریشر (MPa) x 0.16 (فیکٹر)
فنکشنل تھیوریم کے مطابق: Vm (ایم ایل فی ریڈین) × w (ریڈین فی سیکنڈ) × p (MPa، ڈیفرینشل پریشر) × (کل ہائیڈرولک موٹر کی کارکردگی) {{0}} w (ریڈین فی سیکنڈ) × T (Nm)؛ تو T =Vm×P×η; جہاں Vm کا ملی لیٹر فی ریڈین ملی لیٹر فی انقلاب میں تبدیل ہوتا ہے اور اسے 2π سے تقسیم کرنے کی ضرورت ہوتی ہے، جسے 0.16 سے ضرب دیا جاتا ہے۔
نقل مکانی کو پروڈکٹ لیبل سے دیکھا جا سکتا ہے۔ ورکنگ پریشر مدار ہائیڈرولک موٹر کے داخلی دروازے پر پریشر گیج پر منحصر ہے۔ ان دو قدروں کو جانتے ہوئے، آپ اس وقت مدار ہائیڈرولک موٹر کے آؤٹ پٹ ٹارک کا حساب لگا سکتے ہیں۔
سوال: وہاں کس قسم کا موٹر سرکٹ ہے؟
ڈاؤن لوڈ، اتارنا ٹیگ: OMRH BMRH(Horizontal Oil Port) سیریز Orbit Hydraulic Motor with Spool Valve, China OMRH BMRH(Horizontal Oil Port) سیریز Orbit Hydraulic Motor with Spool Valve مینوفیکچررز، سپلائرز، فیکٹری

