پروڈکٹ کی تفصیلات
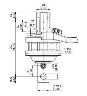
LK3T-01 روٹری ہائیڈرولک موٹر
|
|
|
|
اٹیچمنٹ 1 |
اٹیچمنٹ 2 |
|
|
|
|
اٹیچمنٹ 3 |
اٹیچمنٹ 4 |
تفصیلات کا ڈیٹا
|
1. |
گردش |
لا محدود |
||
|
2. |
زیادہ سے زیادہ محوری بوجھ جامد، KN(lbf) |
30(6745) |
||
|
3. |
زیادہ سے زیادہ محوری بوجھ متحرک، KN(Ibf) |
15(3372) |
||
|
4. |
25Mpa(3625psi)، Nm(lb ft) پر ٹارک |
800(590) |
||
|
5. |
Rec oilfow، l/min (ہم گیلن) |
20 (5.3) |
||
|
6. |
وزن، کلوگرام (lb) |
18(39) |
||
|
ورکنگ موڈ) |
مثال |
زیادہ سے زیادہ کام کرنے کا دباؤ: |
تیل کی بندرگاہ |
|
|
1. |
گھومنے والا |
|
زیادہ سے زیادہ 25 MPa (3625 psi) |
G3/8" |
|
2. |
گریپل/ٹول کھولیں۔ |
|
زیادہ سے زیادہ 20 MPa (2900 psi) |
G3/8" |
|
3. |
گریپل/ٹول بند |
|
زیادہ سے زیادہ 30 MPa (4350 psi) |
G3/8" |
پروڈکٹ کی تفصیلات
LK3T-02 روٹری ہائیڈرولک موٹر
|
|
|
|
اٹیچمنٹ 5 |
اٹیچمنٹ 6 |
|
|
|
|
اٹیچمنٹ 7 |
اٹیچمنٹ 8 |
تفصیلات کا ڈیٹا
|
1. |
گردش |
لا محدود |
||
|
2. |
زیادہ سے زیادہ محوری بوجھ جامد، KN(lbf) |
30(6745) |
||
|
3. |
زیادہ سے زیادہ محوری بوجھ متحرک، KN(Ibf) |
15(3372) |
||
|
4. |
25Mpa(3625psi)، Nm(lb ft) پر ٹارک |
800(590) |
||
|
5. |
Rec oilfow، l/min (ہم گیلن) |
20 (5.3) |
||
|
6. |
وزن، کلوگرام (lb) |
24(53) |
||
|
ورکنگ موڈ) |
مثال |
زیادہ سے زیادہ کام کرنے کا دباؤ: |
تیل کی بندرگاہ |
|
|
1. |
گھومنے والا |
|
زیادہ سے زیادہ 25 MPa (3625 psi) |
G3/8" |
|
2. |
گریپل/ٹول کھولیں۔ |
|
زیادہ سے زیادہ 20 MPa (2900 psi) |
G3/8" |
|
3. |
گریپل/ٹول بند |
|
زیادہ سے زیادہ 30 MPa (4350 psi) |
G3/8" |
نوٹ: اگر تصریح ٹیبل میں نہیں ہے یا آپ کے پاس مخصوص تقاضے ہیں، تو براہ کرم ہم سے رابطہ کریں(whatsapp+8615106778662)۔

ڈاؤن لوڈ، اتارنا ٹیگ: 3 ٹن روٹری ہائیڈرولک موٹر، چین 3 ٹن روٹری ہائیڈرولک موٹر مینوفیکچررز، سپلائرز، فیکٹری









